
地下電纜故障探測儀定位儀測試是一套綜合性的電纜故障定位儀,能對電纜的高阻閃絡故障,高低阻性的接地,短路和電纜的斷線,接觸不良等故障進行測試,配備聲測法定點儀,可準確測定故障點的準確位置,適用于測試各種型號、不同等級電壓的電力電纜及通信電纜。
電纜故障測試特點
儀器采用高速數據采樣技術,A/D采樣速度為100MHz,使儀器讀取分辨率為1m,探測盲區為1m;測試結果以波形及數據自動顯示在大屏幕液晶顯示屏上,判斷故障直觀;并配有全中文菜單顯示操作功能;無需對操作人員作專門的訓練;具有雙蹤顯示功能;改變波形比例,可擴展波形進行準確測試;小體積便攜式外形,內裝可充電的電池供電,方便攜帶和使用。
探測原理
地下電纜故障探測儀定位儀測試是基于電波在傳輸線中的傳輸時遇到線路阻抗不均勻而產生反向的原理。根據傳輸線理論,每條線路都有其一定的特性阻抗Zc,它由線路的結構決定,而與線路的長度無關。在均勻傳輸線路上,任一點的輸入阻抗等于特性阻抗,若終端所接負載等于特性阻抗,線路發送的電流波或電壓波沿線傳送,到達終端被負載全部吸收而無反向。當線路上任一點阻抗不等于Zc時,電波在該點將產生全反射或部分反射,反射的大小和極性可用反射系數P表示,其關系式如下:

電纜故障定位儀低壓脈沖法
當線路輸入一個脈沖電波時,該脈沖便以速度V沿線路傳輸,當行Lx距離遇到故障點后被反射折回輸入端,電纜的低阻性接地和短路故障及斷線故障,及沖法可很方便地測出故障距離。但對高阻性故障,因在低電壓的脈沖作用下仍呈現很高的阻抗,使反射波不明顯甚至無反射。此種情況下需加一定的直流高壓或沖擊高壓使其放電,利用閃絡電弧形成瞬間短路產生電波反射,下圖是低壓脈沖法的三種波形。

上圖我們看出,信號沿導體傳輸,當遇到節點時,會返回一個故障波形的狀態,向下表示斷線故障,向上表示短線故障,需要注意的是,地下電纜故障定位儀測量分支有影響。
電纜故障定位儀:電纜故障定位儀是對電纜故障進行定位的測試的試驗儀器,電纜故障定位儀能對電纜的高阻閃絡故障,高低阻性的接地,短路和電纜的斷線,接觸不良等故障進行測試,電纜故障定位儀配備聲測法定點儀,可以用來準確測定故障點的準確位置,適用于測試各種型號、不同等級電壓的電力電纜及通信電纜,電纜故障定位儀的試驗原理是通過發射脈沖和反射脈沖之間的距離,電纜故障定位儀實現定位的主要原理是跨步電壓定點法,為了方便說明,推薦使用陜西意聯電氣生產的地埋、地下、架空電纜故障測試儀,該產品符合電纜的測量原理,測試結果真實、可靠。
電纜故障定位儀跨步電壓定點法:給被測電纜施加脈動或脈沖信號,如果電纜故障點處存在破損并接大地,在故障點附近就存在跨步電壓現象,故障點前、后電壓方向互反。
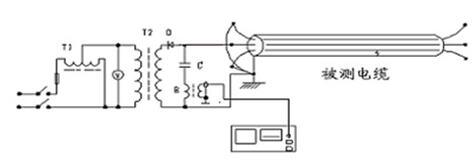
電纜故障定位儀測試原理:電力電纜故障測試儀由電力電纜故障測試儀主機、電纜故障定位儀、電纜路徑儀三個主要部分組成。電纜故障測試儀主機用于測量電纜故障故障性質,全長及電纜故障點距測試端的大致位置。電纜故障定點儀是在電纜故障測試儀主機確定電纜故障點的大致位置的基礎上來確定電纜故障點的準確位置。對于未知走向的埋地電纜,需使用路徑儀來確定電纜的地下走向。電力電纜故障進行測試的基本方法是通過對故障電力電纜施加高壓脈沖,在電纜故障點處產生擊穿,電纜故障擊穿點放電的同時對外產生電磁波并同時發出聲音。
電纜故障定位儀原理圖


