▍ 簡要說明 ↴
變壓器有載開關是一種適合在變壓器勵磁或負載下進行操作的、用來改變變壓器繞組分接連接位置的調壓裝置。變壓器有載開關基本原理是在保證不中斷負載電流的情況下,實現變壓器繞組中分接頭間的切換,從而改變繞組匝數,即變壓器的電壓比,zui終實現調壓的目的。
針對規程相關規定及廣大用戶的需求,我公司專門研發了這款YLBK-7041有載分接開關特性測試儀,該儀器主要用于測量變壓器中有載分接開關的過渡波形、過渡時間、各瞬間過渡電阻值、三相同期性等。
YLBK-7041有載分接開關特性測試儀智能化程度高,全界面采用中文菜單提示,操作簡單方便。同時本儀器體積小、重量輕、抗干擾能力強,能夠極大減輕現場測試人員的勞動強度,是發電、供電單位,變壓器制造行業保障安全生產,提高產品質量的理想儀器。
▍ 功能特點 ↴
▍ 技術參數 ↴
● 工作電源:AC220V±10%,50Hz±10%。
▍ 測試與操作使用方法 ↴
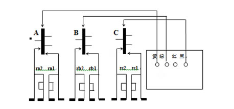
拆去被測變壓器的三側引線,將非測試端(通常為中壓側、低壓側)分別三相短路接地。儀器在關機狀態下,將測試鉗黃、綠、紅、黑依次夾到被測變壓器的調壓側(通常為高壓側)套管的A、B、C三相和中性點上,然后將測試線另一端的一組黃、綠、紅、黑線分別接在儀器的Ia、Ib、Ic、Io端子上;另一組黃、綠、紅、黑線分別接在儀器的Ua、Ub、Uc、Uo端子上。確認接線無誤后,開機,進行完參數設置后選擇進入“測量開關動態參數”菜單
(2)無繞組測試方法
將測試線黃、綠、紅測試鉗分別接到調壓開關X1(A1)、Y1(B1)、Z1(C1)上,并用短路線分別接到對應的X2(A2)、Y2(B2)、Z2(C2)上,黑色測試鉗接到中性點上,測試線的另一端分別接到儀器對應的端子上。主菜單“參數設置”修改測試方式為“無繞組”,其余操作步驟同有繞組測試步驟相同。帶繞組測試與不帶繞組測試相比較,前者的動作時間長,約3-7 ms。注意:A、B、C三相動觸頭短接后接到儀器的中性點接線端子上。
(3)調壓側繞組Y型接線中性點沒有引出的變壓器的測試方法
這種結構的試品在不吊芯情況下,中性點無法引出,只好每兩相一測試,例如測A、B兩相,接線方法如圖所示,把C相當作中性點,操作步驟和帶繞組測試方法相同,只是在液晶屏上一次只顯示兩組波形和數據,數據的分析和有中性點引出的變壓器的分析方法相同,只是過渡電阻值需要換算:設測量值為R’,實際值為R,則兩相測量時R=1/3R’(如單相測量時則R=1/2R’)。待A、B相測完以后,可以再把A相當作中性點,測量B、C相,或者把B相當作中性點,測量A、C相。其接線方法和數據分析均相同。

(4)調壓側繞組Δ型接線的變壓器的測試方法:
測試接線方法同圖12,操作步驟和數據的分析同其它變壓器測試方法一樣,只是過渡電阻值需要換算:設測量值為R’,實際值為R,則兩相測量時R=R’,單相測量時R=3/2 R’。
2.測量開關靜態參數
可測量開關的靜態阻值。選擇進入“測量開關靜態參數”菜單,待數值穩定后按“確認”鍵鎖定數值,此時再按“確認”鍵打印出當前靜態電阻值。
▍ 常見波形分析 ↴
1.
從圖可以看出,橋接前時間過長,已達50ms(是正常時間的三倍),并且不止是一相,而是三相差不多。這是典型的快速機構儲能彈簧老化,速度變慢。
2.

從圖中可以看到A相從單到雙(3-4)和雙到單(4-3)有對稱的過零段,是在單數側,且過渡電阻值從儀器上觀察遠大于20Ω(對于0.5A檔超過20Ω可以看成開路)。這是典型的過渡電阻缺陷。吊檢后發現單數側過渡電阻已斷裂。
圖中這個波形是由于開始測試時,測試靈敏度選的比較高,又是由3-2方向(電感量增加)容易引起震蕩。適當降低靈敏度由1-n方向測試結果正常。
4.
意聯電氣廠家專業生產變壓器有載開關測試儀,變壓器測試儀,產品選型豐富,廠家價格,免費指導使用方法,專業電測10年,找變壓器有載開關測試儀,選意聯電氣,打造電測精品。